오늘은 MCC의 Three Line Diagram과 Outline Diagram에 대해서 알아보겠습니다. 이전 시간에 Load Center의 Single Line Daigram과 Outline Daigram, Schematic Daigram에 대해서 알아보았습니다. 혹시 처음 오신 분들은 한번 보시는 것을 추천드립니다.
설계의 큰 방향은 먼저 Load List로 부하의 종류와 크기를 정리한 다음 Single Line Diagram으로 부하 및 전송선로의 보호에 대한 내용을 정리하고 그걸 Three Line Diagram과 Schematic Daigram으로 좀 더 명확하게 하는 한편 어느 정도의 공간이 필요한지 파악하고, 실제 판넬을 설치할 수 있는 공간을 확인하고 판넬 사이즈를 발주처 및 사업주와 협의한 뒤에 해당 사이즈에 우리가 필요한 보호계전기를 모두 설치 할 수 있는지 도면을 그려서 확인해 본 뒤 최종 확정을 짓는 순서로 진행됩니다.
지난번에 MCC의 Single Line에 대한 내용은 이미 한번 언급을 했지만 이번 시간에도 확인할 저압반(MCC)상세도면에도 언급이 되니 순서대로 한번 훑어보도록 하겠습니다.

위 도면은 MCC 1차측 Feeder가 인입되는 곳으로 Load Center로 부터 수전하는 회로를 Single Line으로 표현한 도면입니다. 단순 Single Line보다는 좀 더 상세한 정보도 함께 표현해 주도록 합니다.

그리고 그 뒤쪽으로 각종 필요한 부하들에 배전을 하도록 합니다. 각 부하의 종류에 맞게 보호방식을 지정한 뒤 타입별로 분류하여 그려져 있는것을 확인 할 수 있습니다.

되도록이면 이렇게 타입별로 분류를 해두면 뒤쪽에서 Three Line Diagram 및 Schematic Diagram을 그릴 때 개개의 부하별로 도면을 그릴 필요 없이 타입별로 그리면 되기 때문에 편리합니다.

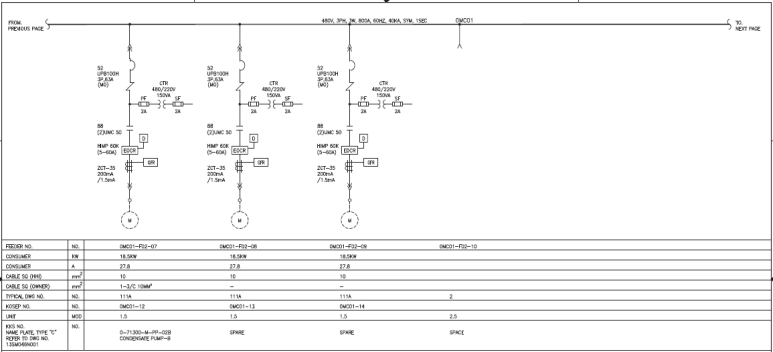
이제 Single Line으로 표현되었던 부분을 Three Line으로 표현을 해보겠습니다. 위 회로도는 Load Center에서 MCC로 최초로 인입되는 부분입니다.

그리고 다음은 일반부하의 Three Line Diagram입니다. 타입별로 동일한 보호회로로 구성하였기 때문에 타입별로 한장만 그리면 됩니다. 오른쪽 아래에 Type 201이라고 적어둔것을 확인 할 수 있습니다. 아까 위에서 보았던 Single Line 중 Typical DWG No.가 201로 지정된것은 모두 동일한 내용입니다.

다음은 전동부하의 보호회로 입니다. EOCR과 MC등을 조합하여 기동부하에 대응하도록 구성이 되어 있습니다. Schematic Diagram이 복잡하지만 차근차근 보면 전혀 어렵지 않습니다. 이런식으로 상세한 Three Line Diagram을 작성 한 뒤에 실제 판넬이 설치될 곳의 공간을 확인하여 판넬 사이즈를 예상해 본 뒤에 사업주나 발주처와 판넬 사이즈를 협의해야 합니다.

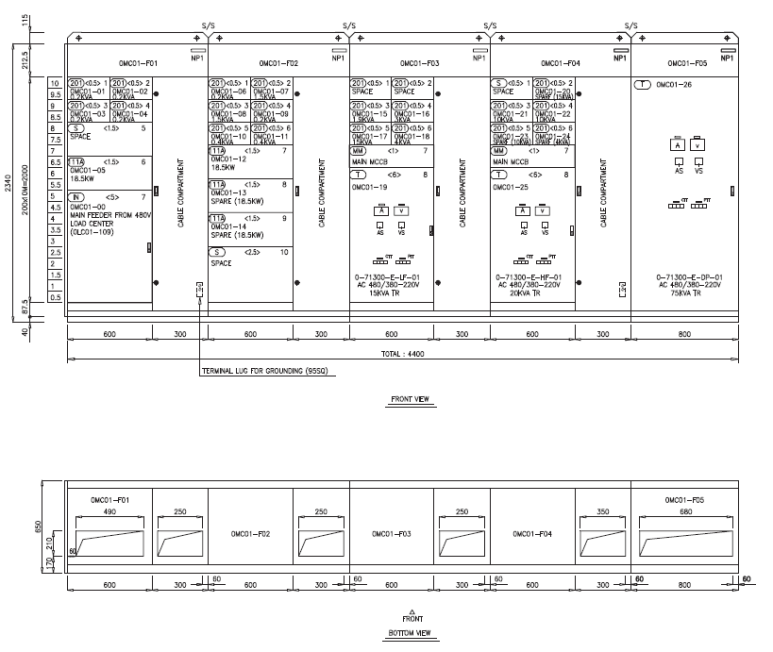
그래서 최종적으로 판넬사이즈가 확정이 되면 위와 같이 판넬 Outline Diagram( Outline Layout )을 도면에 포함시키도록 합니다. 사실 이러한 내용을 설계할 때 가장 중요한 내용은 Single Line을 설계할 때 부터 필요한 보호회로의 보호방식입니다. 일반 부하와 전동부하의 보호방식은 약간 차이가 있습니다. 이 내용은 저압 간선과 분기회로의 차단기 및 케이블 선정에 대한 포스팅에서 기본적으로 다루고 있으니 해당 내용이 필요하신 분들은 아래 포스팅을 한번 참조해 주시기 바랍니다.
분기회로 (저압) 케이블 사이즈 선정
오늘부터 전기회로(간선 및 분기회로)의 차단기와 케이블을 선정하는 과정을 찬찬히 같이 알아보도록 하겠습니다. 그중에서 오늘은 최종 말단부하와 직접 연결되는 저압 분기회로의 케이블 사
mech19.tistory.com
분기회로 (저압) 차단기 용량 선정
이번 포스팅에서는 분기회로에서 최종 말단 부하를 직접 보호하기 위해 설치되는 저압 분기회로 차단기의 용량을 선정하는 방법을 이야기해 보겠습니다. 차단기 용량선정 과 케이블 사이즈
mech19.tistory.com
간선 차단기 용량 / 케이블 사이즈 (전선 굵기) 선정 #1
이번시간에는 간선의 차단기 용량과 케이블 사이즈 (전선 굵기)에 대해서 알아보겠습니다. 간선은 여러개의 분기회로가 모여 더 많은 전력을 전달하는 분기회로 상위단의 회로를 의미합니다.
mech19.tistory.com
간선 차단기 용량 / 케이블 사이즈 (전선 굵기) 선정 #2
오늘은 지난 포스팅에서 알아보았던 저압간선의 차단기용량과 케이블사이즈를 설계하는 방법을 직접 실제로 계산하여 진행해 보겠습니다. 아래의 이전 포스팅을 통해 간선 설계의 절차에 대해
mech19.tistory.com
아울러 보호회로에 대한 내용은 다른 포스팅에서 한번 이야기를 해 보도록 하겠습니다. 오늘은 MCC 상세도면에 대해서 한번 이야기 해 보았습니다. 오늘은 여기까지 하겠습니다. 감사합니다.
제 블로그를 방문해 주셔서 감사합니다.
도움이 되셨다면 공감(좋아요) 부탁드리고,
댓글은 다른분들께도 좋은 정보일 수 있으니
공개로 부탁드립니다.
여러분의 작은 정성이 좋은 포스팅을 생산하는
힘이 된답니다. :)
감사합니다.
'전기 > 전기 설계' 카테고리의 다른 글
| 접지설계 접지용량계산 (접지도체 보호도체 굵기 산정) (0) | 2022.08.24 |
|---|---|
| 전기 설계 8 - Electric Heat Tracing ( EHT 설계 ) (0) | 2022.08.10 |
| 전기 설계 6 - 전기 판넬 설계 #3 (OutLine Diagram, Schematic Diagram) (0) | 2022.08.05 |
| 전기 설계 5 - 전기 판넬 설계 #2 (Single Line Diagram, SLD) (3) | 2022.08.03 |
| 전기 설계 4 - 전기 판넬 설계 #1 (Incoming Panel, Load Center, PDP, MCC 개념잡기) (0) | 2022.08.01 |
댓글