오늘은 전기 판넬 설계 마지막 시간으로 각종 전기판넬들의 Outline설계시간을 가져보겠습니다. Outline의 경우 일단 Single Line설계를 완료 한 뒤 이 Single Line을 기반으로 실제 케이블 및 계전기를 Three Line으로 그려보고 그에 따라 판넬 사이즈를 정하는 형식으로 갑니다. 이 때 전기실에 판넬이 위치할 공간을 미리 확보하여 그 공간의 사이즈를 확인한 뒤 거기에 맞게 설계하는 것이 좋습니다. 특히 기존 전기실에 판넬을 추가하는 경우라면 기존 전기판넬들의 사이즈를 확인하여 통일감있게 조성하는 것이 좋기 때문에 미리미리 판넬이 위치할 공간의 사이즈를 확인하고 다른 판넬들의 사이즈를 확인하는 것이 좋습니다.
그럼 Load Center부터 Single Line Diagram의 내용이 실제로 어떻게 설계반영이 되는지 알아보겠습니다.

최초에 왼쪽과 같이 11kV 고압 SWGR에서 인입된 1차측 전원은 LBS에 연결이 되었습니다. 이것을 실제 회로도인 Three Line Diagram으로 변환하면 오른쪽과 같이 표현할 수 있습니다. 여기까지는 전혀 어려운것은 없습니다. 별 다른 계전기들이 들어가지 않으니 전혀 복잡할 것도 없구요. 참고로 Three Line Diagram으로 그릴 때 릴레이와 계전기의 정보까지 꼼꼼하게 표시하여 Schematic Diagram도 합쳐서 그리는 것이 한 눈에 보기 좋습니다. 만약에 분량이 너무 많다면 따로 DCL 번호를 따서 그리는 것을 추천 드리지만 중소형 규모의 프로젝트 때는 합쳐서 그리는 것이 좋습니다.
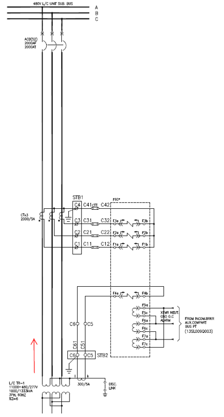
그리고 LBS를 지나고 나면 메인 TR을 거치게 됩니다. Single Line Diagram에서는 아래와 같이 표현되어 있었습니다. TR을 감시하는 각종 계전기도 달려 있었고, 메인 TR을 지나서는 Main ACB를 거쳤습니다.

위 도면에서 빨간색 네모박스 부분은 신경쓰지 않아도 됩니다. 판넬의 쿨링 팬 전원 공급 부분입니다. 이렇게 표현된 Single Line을 Three Line으로 변경하면 아래와 같습니다.

전원의 흐름은 빨간색 화살표와 같이 아래에서 위 방향입니다. 물론 여기서 끝이 아닙니다. TR을 감시하는 계전기에 대한 Schematic Diagram도 아래와 같이 포함이 되어야 합니다.

엄청나게 복잡하죠? 이건 매 프로젝트마다 새로 그리기 힘듭니다. 레퍼런스 도면을 이용하여 약간의 수정을 하는 것을 추천 합니다. 특히 TR같은 경우 TR 메이커에서 추천하는 감시 항목에 맞게 계전기를 선정한 뒤 적용시키는 것이 좋습니다. 요즘에는 스마트 계전기 형식으로 PLC나 DCS와 통신도 가능한 통합 감시 계전기도 시중에서 흔히 볼 수 있습니다. 그런것을 용량에 맞게 이용하고, 제공해 주는 도면을 이용하는 것이 좋습니다.
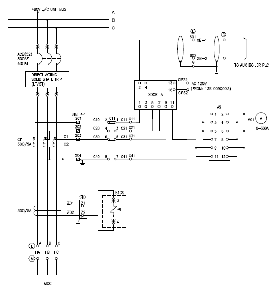
그 다음은 아래와 같이 각 필요 부하로 배전해 줍니다.

위 회로도를 Three Line Diagram으로 그리면 아래와 같습니다.

위 회로도는 Single Line에서 봤던 3가지 FAN으로 바로 가는 라인입니다.

위 회로도는 Single Line에서 보았던 제일 마지막에 있는 MCC(Motor Control Center)로 가는 라인 입니다.
Spare Line도 있지만 Fan으로 다이렉트로 가는 라인과 동일하니 넘어가도록 하겠습니다. 그리고 여기서 끝이 아니죠. 보호 계전기 및 릴레이 Schematic Diagram도 포함이 되겠죠?

FAN으로 가는 라인과 MCC로 가는 라인의 보호 계전 방식이 약간 차이가 있지만 오늘 우리가 알아볼 것은 그 차이를 알아보고자 하는게 아니기 때문에 넘어가도록 하겠습니다. 자 이렇게 Single Line에서 Three Line과 Schematic Line을 어떻게 뽑아내느냐.... 먼저 Single Line은 레퍼런스 도면을 이용하여 간단히 뽑아 낼 수 있습니다. 그리고 발주처나 사업주의 코멘트를 받고 내선규정 상의 보호규정에 위반이 없는지만 확인을 하면 됩니다. 그리고 나면 좀 더 전문가의 도움을 받는게 좋습니다. MCC Panel을 제작하는 업체 혹은 보호계전기 메이커에 구매를 통한 자문을 구하면 좀 더 확실한 보호계전방식을 정리할 수 있습니다. 그리고 해당 보호계전기의 도면을 획득하여 추가하면 됩니다. 간단하죠? 물론 우리 도면 양식에 맞추는 작업은 해야겠죠.
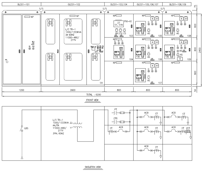
자 그러고 나면 이제 뭘 해야할까요? 맞습니다. Panel 외함이 필요하죠? Panel외함은 일단 기본적으로 Panel이 설치될 위치를 확인하고 대략적인 사이즈를 계산하여 Panel업체와 협의를 해야 합니다. 우리가 원하는 사이즈 안에 제작이 가능한지 확인을 하고 발주처나 사업주와도 제작예정 사이즈를 함께 확인하여 컨펌 받은 뒤에 제작에 들어가도록 합니다. 그리고 도색도 당연히 발주처나 사업주의 확인을 받도록 합니다. 대부분 시방서(기술규격서)에 나와 있지만 꼭 확인을 하는 것을 추천합니다. 이렇게 확정된 판넬 사이즈를 도면에 표현해본다면 아래와 같이 됩니다.

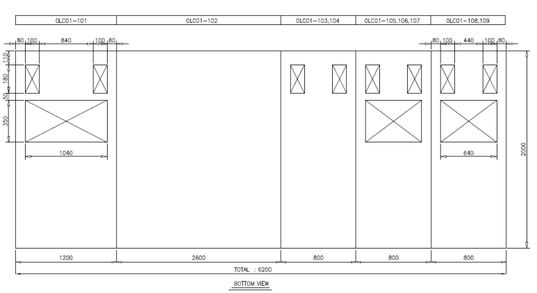
Front View와 Skeleton View 입니다. 필요하다면 Rear View도 도면에 포함시키도록 합니다. Rear View보다도 꼭 포함시켜야 하는 방향은 따로 있습니다. 바로 Bottom View입니다.

Bottom View는 아래쪽 타공 사이즈를 나타내는 매우 중요한 내용입니다. 인입케이블 풀링 공사때 중요한 자료이기 때문에 꼭 정확하게 표현하도록 합니다. 그리고 판넬의 설치시의 조립 정보도 중요하기 때문에 표현햐 주도록 합니다. 이것은 하나의 예시일 뿐 현장에 맞게, 혹은 발주처나 사업주의 스타일에 맞게 설계하면 됩니다.

오늘은 이렇게 Load Center의 Panel OutLine Diagram에 대해서 이야기 해 보았습니다. 전기판넬의 경우 전기판넬 전문 제작자에게 도면까지 맡겨 턴키로 발주하는 것이 제일 깔끔하고 좋습니다. 하지만 그렇게 설계되고 제작되는 내용을 검토하고 수정을 요구하려면 알아야 하겠죠? 항상 공부하는 자세를 가지는 것이 중요한 이유입니다. 차단기, 보호계전기등에 대한 공부를 항상 하고, 전기회로의 보호협조에 대한 공부를 항상 하면 보다 확실한 설계능력을 가지게 될 것 입니다. 오늘은 여기까지 입니다. 감사합니다.
제 블로그를 방문해 주셔서 감사합니다.
도움이 되셨다면 공감(좋아요) 부탁드리고,
댓글은 다른분들께도 좋은 정보일 수 있으니
공개로 부탁드립니다.
여러분의 작은 정성이 좋은 포스팅을 생산하는
힘이 된답니다. :)
감사합니다.
'전기 > 전기 설계' 카테고리의 다른 글
| 전기 설계 8 - Electric Heat Tracing ( EHT 설계 ) (0) | 2022.08.10 |
|---|---|
| 전기 설계 7 - 전기 판넬 설계 #4 (Three Line Diagram, Schematic Diagram) (0) | 2022.08.08 |
| 전기 설계 5 - 전기 판넬 설계 #2 (Single Line Diagram, SLD) (3) | 2022.08.03 |
| 전기 설계 4 - 전기 판넬 설계 #1 (Incoming Panel, Load Center, PDP, MCC 개념잡기) (0) | 2022.08.01 |
| 전기 설계 3 - Cable Tray Layout (케이블 트레이 레이아웃) (2) | 2022.07.27 |
댓글