오늘은 전기 설계 내용 중 EHT (Electric Heat Tracing)에 대하여 이야기 해 보겠습니다. 가장 정확한 설계의 지침은 시방서(기술규격서)에 따라서 설계를 하는 것이 가장 중요합니다. 발주처나 사업주와의 계약 내용을 보더라도 발주처나 사업주의 승인을 받았다고 하더라도 시방서가 우선이라고 명시되어 있습니다. 그리고 시방서보다도 우선이 되는 내용이 각종 법규와 코드들인데 EHT의 경우는 그러한 법규는 따로 없기 때문에 최우선 설계목표는 시방서가 되는 것입니다. 그러한 기준은 일단 명심을 하시고 아래의 일반적인 내용을 참조 부탁드립니다.
우리가 설계를 하다보면 Indoor설비가 있고, Outdoor설비가 있습니다. Indoor는 실내를 의미하고 Outdoor는 실외를 의미하죠. 그럼 생각해 봅시다. 우리나라는 4계절이 있고, 겨울에는 무진장 춥습니다. 영하 10도는 우습게 떨어지죠. 그렇다면 수분은 꽁꽁 얼게 됩니다. 그래서 실제 보온이 되는 Indoor를 제외한 모든 곳의 설비에 적절한 동파방지대책을 세워야 합니다. 그 핵심이 보온과 Heat Tracing입니다. 또 Heat Tracing은 크게 두가지로 나뉘게 됩니다. Electric Heat Tracing과 Steam Heat Tracing입니다. 좀 더 자세히 얘기하자면 보온만 하거나 Heat Tracing한뒤 보온을 하거나로 분류됩니다. 오늘은 그 중에서 Electric Heat Tracing설계에 대하여 이야기를 해보려 합니다.
일단 Heat Tracing을 해야하는 포인트는 기본적으로 공정파트에서 먼저 지정을 해 줍니다. 그래서 P&ID에 표시도 해줍니다. SYMBOL & LEGEND에서 표현한다면 아래처럼 표현할 수 있겠네요.


그렇지만 발주처나 사업주에 따라 혹은 프로젝트나 P&ID 설계자에 따라 조금씩 다를 수 있으니 SYMBOL & LEGEND는 꼭 확인을 하도록 합니다.

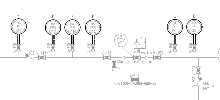
그리고 실제 P&ID도면상으로 Electric Heat Tracing을 표현한다면 위와 같이 표현됩니다. 참고하세요. 그리고 위와 같은 기계배관에만 Heat Tracing을 하지는 않습니다. 계장 도압관 (Impulse Line)과 계기들에게도 필요한 경우 Heat Tracing을 합니다. 그럴 경우 아래와 같이 표현하여 줍니다.

자 그럼 이제 전기설계파트에서는 무엇을 해야할까요? 먼저 기계배관 도면을 참조하여 해당 배관의 길이를 계산하고 계장파트의Hook Up도면을 참조하여 도압관 및 계기에 대한 길이를 계산합니다. 그리고 공사에 사용할 Heat Tracing Cable을 선정합니다. Heat Tracing Cable의 종류는 기본적으로 MI(Mineral Insulation) Cable과 SR (Self Regulating) Cable로 나뉘며 많은 좋류의 메이커와 모델이 있지만 발주처나 사업주가 시방서(기술규격서)에서 제시하는 스펙을 만족하는 규격품을 사용하도록 합니다. 만약 제시하는 스펙이 따로 없다면 사전에 선정한 제품을 발주처 담당자에게 확인하여 컨펌받도록 합니다.

그리고 선정한 케이블의 스펙도 확인을 해야합니다. 소비전력이 얼마나 되는지 확인을 해야 나중에 전기용량을 계산할 수 있습니다.


그리고 위와 같이 기계파트의 배관 ISO도면을 베이스로 실제 Heat Tracing이 설치되어야 할 길이를 직접 도면으로 그리도록 합니다. 물론 아래와 같이 계장 파트도 Hook Up 도면을 베이스로 Heat Tracing을 적용한 도면을 그리도록 합니다.

계장 파트의 경우 아래와 같이 Typical 도면으로 적용하는 것이 좋습니다. 계기가 수량이 많으면 일일이 전부 그리기에는 너무 힘듭니다. 조금만 더 자세히 이야기를 해볼까요?

실제 Electric Heat Tracing System은 위와 같이 구성된다고 보시면 됩니다. Heat Tracing Cable의 시작단에는 Power Connection Kit(일명 파워킷)이 연결되어 있고, 끝단에는 End Seal Kit(일명 엔드킷)이 연결되어 있습니다. 우리는 이중에서 파워킷에 전원케이블을 연결시켜주면 됩니다. 그러면 파워킷에서 온도를 감시하다가 일정 온도 이하로 내려가면 전원을 도통시켜서 Heat Tracing Cable이 발열을 시작하게 됩니다. 간단하죠?
자 여기까지 한다면 이제 Electric Heat Tracing 적용 포인트와 케이블의 종류와 필요한 케이블의 길이가 정리되었습니다. 그러면 이제 분류를 해야 합니다. 어차피 케이블 m(미터)당 필요전력은 동일하기 때문에 구역별로 나누어 비슷한 용량으로 정리를 하도록 합니다. 이 작업을 왜 하느냐!!! 바로 EHT Panel을 설계하기 위함입니다.

이러한 분전반을 설계할 때 가장 중요한 것이 부하불평등을 최소화 하는 것입니다. 그러기 위해서 각 포인트별로 비슷한 용량을 나누어 가지도록 분배하는 것이 중요하겠죠? 만약에 소비용량이 조금씩 차이가 난다면 각 상에 걸리는 부하가 비슷해 지도록 적절히 배치하도록 합니다. 물론 이렇게 기본적인 판넬 설계를 하고 난 뒤에는 외함도 설계를 해야 비로소 설계가 마무리 되는 거겠지요.

오늘은 이렇게 Electric Heat Tracing 설계 절차 및 방법을 한번 간단하게 알아 보았습니다. 실제 설계는 이렇게 쉽게 끝나지 않습니다. 계산과정에도 좀 더 고려해야 하는 부분도 있고, EHT의 설치 위치가 방폭지역이냐 비방폭지역이냐 등 고려해야 하는 부분들도 더 많이 있습니다. 그래도 일단 오늘은 설계의 흐름을 파악한다고 생각하시고 다른 포스팅에서 EHT 케이블의 종류라던가 실제 공사하는 기법에 대해서 다루도록 하겠습니다. 감사합니다.
제 블로그를 방문해 주셔서 감사합니다.
도움이 되셨다면 공감(좋아요) 부탁드리고,
댓글은 다른분들께도 좋은 정보일 수 있으니
공개로 부탁드립니다.
여러분의 작은 정성이 좋은 포스팅을 생산하는
힘이 된답니다. :)
감사합니다.
'전기 > 전기 설계' 카테고리의 다른 글
| KEC 규정에 따른 차단기 용량 선정(설계) (7) | 2022.10.28 |
|---|---|
| 접지설계 접지용량계산 (접지도체 보호도체 굵기 산정) (0) | 2022.08.24 |
| 전기 설계 7 - 전기 판넬 설계 #4 (Three Line Diagram, Schematic Diagram) (0) | 2022.08.08 |
| 전기 설계 6 - 전기 판넬 설계 #3 (OutLine Diagram, Schematic Diagram) (0) | 2022.08.05 |
| 전기 설계 5 - 전기 판넬 설계 #2 (Single Line Diagram, SLD) (3) | 2022.08.03 |
댓글