오늘 알아볼 부분은
계장설계 중 한 부분인 "PLC Panel dwg" 입니다.
이 부분은 전장설계라고도 합니다.
계장설계는 Local Instrument 설계와 이러한 판넬류의 전장설계를
모두 포함하는 의미입니다. 알아두시길 바랍니다.
음.....
그리고 대기업으로 가면 갈 수록 PLC Panel이든 Junction Panel이든
직접 Panel Dwg를 그릴 일은 없습니다.
외주하청을 주기 때문이죠.
이러한 외주하청을 받는 업체들은 직접 그리게 됩니다.
일단 하나하나 설계도면이 어떻게 구성되어 있는지
알아보겠습니다.
1. SYMBOL & LEGENDS
목차는 생략하고 얘기하자면
Symbol & Legends가 도면의 시작이라고 할 수 있겠네요.

Panel을 구성하는 계기류들의 심볼과
케이블 혹은 시그널의 종류를 표현하면 됩니다.
어지간하면 발주처나 사업주의 레퍼런스를 따라가는게 좋습니다.
많지는 않지만 깐깐한 담당자를 만나면
고쳐달라고 할 때가 있습니다.
2. SYSTEM CONFIGURATION

그 다음은 SYSTEM CONFIGURATION 입니다.
PLC 및 HMI등의 주변기기류들의 구성도를
한눈에 알아볼 수 있게 나타내어 줍니다.
PLC의 경우 IO카드의 종류 및 수량도 나타내 주는 것이 좋고,
통신 HUB나 연결되어 있는 Work Station도 수량에 맞게
꼼꼼하게 표현해 주는 것이 좋습니다.
가장 핵심이 되는 내용인 IO Card 수량은 IO LIST를 기반으로
수량을 산출하면 되고,
POWER 이중화, CPU 이중화, IO 이중화, 통신 이중화 의 여부는
시방서 및 발주처와의 협의를 통해 결정해야 합니다.
이런 캐드 자료는 제조사 홈페이지나 구입한 대리점에
요청하시면 됩니다.
그리고 배치와 커넥션은 직접 하면 됩니다.

그리고 한쪽에 Equipment의 Description을 적어주는 것을
잊지 말아야 합니다.
그래야 저 그림이 어떤 스펙을 가진 어떤 기기인지
누구나 쉽게 알아 볼 수 있겠죠?
3. PANEL LAY-OUT

그 다음으로 Panel lay-out을 표현해야 합니다.
Front view, Side view, Bottom view에 더해서
뒷면에도 문이 달린 양면형 타입의 Panel이라면
Rear view도 표현해 주어야 합니다.
기본적으로 저 같은 경우에는
발전소 납품기준으로 판넬을 설계하는데
Panel Body의 경우
Door는 3.2t
Side body는 2.3t
Panel Base는 5t를 기준으로 설계합니다.
여기서 발주처나 사업주의 요구사항에 맞춰서 수정하고
도장은 분체도장을 기본으로 하는데,
칼라는 발주처나 사업주의 먼셀넘버를 받아서 적용합니다.
그리고 Note.로 여러가지 정보를 표시해 주어야 합니다.
판넬의 사이즈와 두께, 그리고 재질 및 페인팅 칼라.
베이스 찬넬의 사이즈와 두께, 그리고 판넬의 수량.
네임플레이트의 사이즈와 칼라 및 시안 등등.
최대한 상세하게 표현해 주어야 제작 후에 수정사항이
줄어듭니다.
4. PANEL INNER VIEW

그 다음은 가장 핵심이 되는 Panel Inner View 입니다.
판넬 내부에 PLC, POWER, 차단기, 통신함, 단자대, 릴레이 등등을
어떻게 배치 할 것인가에 대한 내용입니다.
기기들을 실물사이즈로 배치해보고 적당한 거리와 여유를 두고
케이블 덕트를 배치하면 됩니다.
케이블 덕트의 경우 최하단부분에 케이블 수량이 제일 많으므로
스페어 단자대 수량까지 포함하여 케이블 수를 산정하고
케이블 스펙을 확인하여 덕트 사이즈를 넉넉하게 계산해야 합니다.
그리고 기기와 덕트를 배치할때
향후 유지보수까지 고려하여
간격을 좀 넉넉하게 고려하는 것이 좋습니다.

그리고 당연히 각 기기별로 번호를 부여하고
각 번호 별 스펙 및 정보를 상세히 명시해 주어야 합니다.
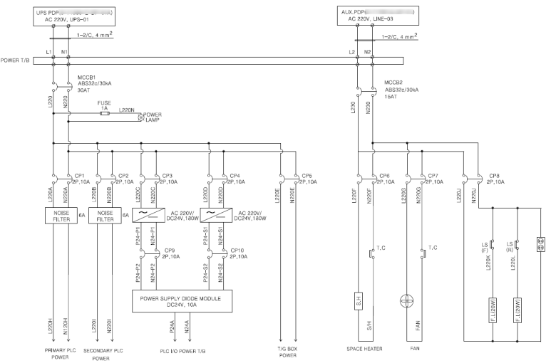
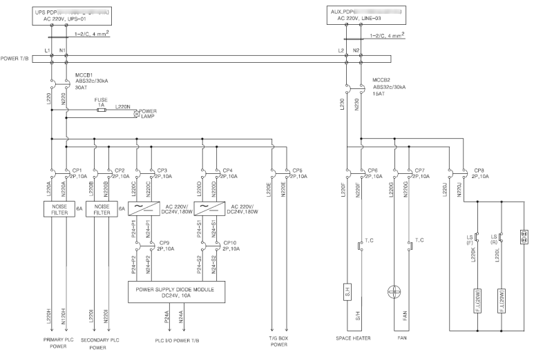
5. POWER CIRCUIT

그 다음은 전원라인 회로도 입니다.
1차측 인입부의 메인차단기 부터
말단의 PLC Power Supply 및 도어램프, 콘센트까지
전원분배에 대한 내용을 작성하면 됩니다.
이 부분은 특별히 어려운 것 없을 겁니다.
용량에 맞게 산출만 하시면 됩니다.
6. IO CARD CONNECTION
마지막으로 IO CARD CONNECTION 입니다.

Analog Input, Analog Output, Digital Input, Digital Output에
연결되는 계기들을 표현해 준다고 생각하시면 됩니다.

좀 더 자세히 보자면
1번 박스 부분은 Local로 각 AI card에 연결될 Transmitter와
Cable에 대한 Inform을 명시했습니다.
2번 박스 부분은 이제 판넬로 인입된 케이블이
최초로 연결되는 터미널 단자대 부분으로
터미널 단자대 번호와 단자번호가 나와있습니다.
3번 박스 부분은 Panel 내부에 있는 Surge Protector를 표현한 것으로
프로젝트마다 사용하는 판넬 내부 계기류가 다르기 때문에
그게 맞게 표현하시면 됩니다.
4번 박스 부분은 이제 PLC IO CARD 부분입니다.
최종적으로 PLC IO CARD의 몇번 채널에 연결되어 있는지까지
나타내어진 것이라고 보시면 됩니다.
DO card 하나만 더 볼까요?

1번은 PLC Digital Output Card 입니다.
여기서 2번 박스의 릴레이에 연결됩니다.
그러면 우리가 해당 채널의 출력을 On하면 릴레이에
전원이 공급되어 On된다고 보시면 됩니다.
그럼 3번 박스의 릴레이 A접점이 On되어
스위치를 On 한것과 같은 효과로
3번박스 하단부분의 터미널에 연결되어 있는
계기와 폐루프 회로가 되어 해당 계기가
동작하게 됩니다.
아직 회로를 PLC회로를 어떻게 구성해야 하는지
정확하게 감이 안잡히시죠??
이 내용은 다음에 상세히 포스팅 하도록 하겠습니다.
감사합니다. 오늘은 여기까지 입니다.
제 블로그를 방문해 주셔서 감사합니다.
도움이 되셨다면 공감(좋아요) 부탁드리고,
댓글은 다른분들께도 좋은 정보일 수 있으니
공개로 부탁드립니다.
여러분의 작은 정성이 좋은 포스팅을 생산하는
힘이 된답니다. :)
감사합니다.
'계장 > 계장 설계' 카테고리의 다른 글
| PLC Panel 상세설계 #2 ( 판넬 설계 하는 방법 ) (1) | 2022.04.04 |
|---|---|
| PLC Panel 상세설계 #1 ( 판넬 설계 하는 방법 ) (4) | 2022.03.25 |
| 계장 설계 9 - Instrument Plot Plan ( Instrument Location DWG ) (0) | 2022.02.24 |
| 계장 설계 8 - LOGIC & LOOP 설계 #4 (CONTROL LOOP DIAGRAM) (1) | 2022.01.05 |
| 계장 설계 7 - LOGIC & LOOP 설계 #3 (CONTROL LOOP DIAGRAM) (0) | 2022.01.04 |
댓글