안녕하세요.
반갑습니다.
새로운 한해가 시작되었네요.
오늘은 CONTROL LOGIC DIAGRAM (이하 LOGIC)에 이어서
CONTROL LOOP DIAGRAM (이하 LOOP)에 대해서 이야기해 보려고 합니다.
LOOP는 LOGIC에 비해서 조금 어려운 부분이 있습니다.
그래도 차근차근... 연습하다보면 금방 혼자서도 작성이 가능해 지실 수 있으니
함께 화이팅 하도록 해요.
먼저 LOGIC에 대한 내용은 아래 포스팅들을 참조해 주세요.
계장 설계 5 - LOGIC & LOOP 설계 #1 (CONTROL LOGIC DIAGRAM)
오늘부터 LOGIC & LOOP 작성법에 대해서 이야기해 보겠습니다. 먼저 LOGIC(로직)과 LOOP(루프)가 무엇인지부터 알아봐야겠죠? 1. LOGIC 과 LOOP 란? 먼저 LOGIC의 풀네임은 CONTROL LOGIC DIAGRAM 정도로..
mech19.tistory.com
계장 설계 6 - LOGIC & LOOP 설계 #2 (CONTROL LOGIC DIAGRAM)
오늘은 이전 포스팅에 이어서 CONTROL LOGIC DIAGRAM 작성법을 계속 이야기 해 보겠습니다. 일단 처음 방문하신 분들은 CONTROL LOGIC DIAGRAM의 기본적인 내용들을 먼저 확인하시는 것을 추천드립니다.
mech19.tistory.com
먼저 이전 포스팅에서 얘기했던 내용중에 기억해야 할 것이 있습니다.
바로 CONTROL LOGIC DIAGRAM과 CONTROL LOOP DIAGRAM의 차이점 입니다.
무엇인지 기억나시나요??
바로 아래 두가지 입니다.
#1- CONTROL LOGIC DIAGRAM은 DIGITAL CONTROL 이고,
CONTROL LOOP DIAGRAM은 ANALOG CONTROL 이다.
#2- CONTROL LOGIC DIAGRAM은 순차제어 (시퀀스 제어)에 가깝고,
CONTROL LOOP DIAGRAM은 피드백제어 에 가깝다.
위 내용을 아래 예시를 통해 다시한번 확인해 보고 넘어가겠습니다.

위 와 같은 현장이 있다고 가정해 보겠습니다.
유체의 방향은 VALVE쪽에서 PUMP쪽으로 흐를때
단순 ON/OFF제어를 한다고 가정한다면, CONTROL LOGIC DIAGRAM으로 작성이 가능합니다.
CONTROL LOGIC DIAGRAM으로 작성한다면
설비를 가동시작할때 VALVE를 OPEN시키고, PUMP를 START시키며
설비를 정지할때 PUMP부터 STOP시키고, VALVE를 CLOSE하면 됩니다.
그러나 유량제어를 한다고 가정한다면, CONTROL LOOP DIAGRAM으로 작성해야 합니다.
CONTROL LOOP DIAGRAM으로 작성한다면,
설비를 가동시작할때 VALVE를 OPEN시키고,
PUMP를 START하는것 까지는 동일하지만
여기서 INVERTER가 추가로 설치되어 PRESSURE TRANSMITTER와 연동되어
제어를 해야합니다.
즉, PRESSURE TRANSMITTER의 값을 측정하여
필요한 유량만큼만 흐르도록 INVERTER를 조절하고
INVERTER는 PUMP의 RPM을 조절하게 되는데
이것은 LOGIC으로는 작성이 불가능하고 LOOP로 작성해야하는 부분입니다.
이해가 되시나요?
그럼 바로 LOOP작성법을 알아보겠습니다.
1. CONTROL LOOP DIAGRAM SYMBOL
LOOP SYMBOL은 너무 다양해서 모두 알려드릴 순 없을것 같습니다.
기본적이고 중요한것 몇가지만 확인하겠습니다.

LOCAL INSTRUMENT 또는 LOCAL PANEL
원 내부에 TAG를 넣어서 사용하면 됩니다.

DCS PROCESS
내부에 TAG를 넣어서 사용하면 됩니다.

PLC 및 HMI PROCESS
내부에 TAG를 넣어서 사용하면 됩니다.

DIGITAL INTERLOCK CONTROL
이 심볼과 연결되어 있는 기기들끼리
상호 인터록이 설정되어 있다는 의미입니다.

AUTOMATIC SIGNAL PROCESSING
FUNCTION BLOCK 형태로 사용되어 진다고 생각하시면 됩니다.
예를들어서 2개의 값을 입력받아서 평균값을 출력할때는 아래와 같이 사용되고,

사칙연산으로 사용될때는 아래와 같이 사용됩니다.


HIGH, LOW SELECTING
입력받은 신호 중에서 크거나 작은 값의 신호만을 필터링해서 출력합니다.

FUNCTION GENERATOR : F(x) Table
입력된 신호에 맞는 테이블(기 입력된 테이블)의 지정된 값을 출력합니다.

HIGH, LOW LIMIT
출력되는 신호나 입력되는 신호의 상, 하한값을 지정합니다.

MONITORING ALARM SET POINT
아날로그 신호의 하이, 로우 셋 포인트를 설정 합니다.
보통, 알람이나 인터록, Safety function을 동작시킬때 사용합니다.

PID CONTROL
비례, 미분, 적분 제어기로 각각의 펑션블록을 조합한 것입니다.
위 심볼은 하단에 상, 하한값 리미트 옵션이 포함되어 있는 심볼입니다.
이렇듯 여러가지 옵션을 조합해서 사용가능 합니다.

AUTO / MANUAL CONTROL STATION
출력 및 입력을 AUTO MODE의 값을 사용할지 MANUAL MODE의 값을 사용할지
트래킹을 결정지어 주는 역할을 합니다.

MANUAL SIGNAL PROCESSING
Manual signal 값을 받아서 보내주는 심볼입니다.
위의 AUTO / MANUAL CONTROL STATION과 조합하여 사용되어 지고,
PID CONTROLLER와도 조합하여 사용되어 집니다.
중요한것 몇가지만 알아보았는데 내용이 엄청 많네요.
직접 레퍼런스 자료들을 검토하시거나 프로젝트 진행하시다가 보면
여러가지 처음보는 심볼들도 많이 보게 될텐데 그때마다 공부하시면서
머리속에 추가하시면 됩니다.
2. CONTROL LOOP DIAGRAM 양식
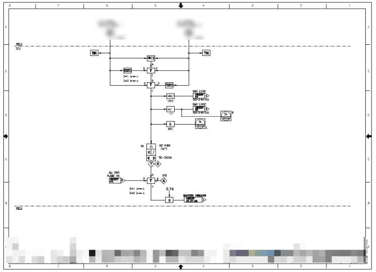
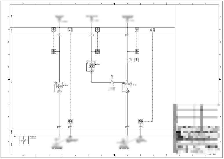
이제 LOOP 작성을 위해 양식을 한번 보겠습니다.

위 양식은 PLC와 DCS가 나누어져 있고, 통신으로 연계되어 있는 시스템일때 CONTROL LOOP DIAGRAM을
작성한 예시를 나타낸 것이며,

위 양식의 경우 DCS 단독 시스템일때 CONTROL LOOP DIAGRAM을 작성한 예시입니다.
LOGIC과 비슷하지만 조금 다른게 느껴지시나요?
LOGIC은 왼쪽에서 오른쪽으로 작성하고 읽지만, LOOP는 위에서 아래로 작성하고 읽습니다.
그리고 위 화면중 아래쪽 화면에 보시면
PID가 아닌 아래와 같이 PI CONTROLLER도 확인하실 수 있습니다.

이렇듯 FUNCTION BLOCK은 여러가지로 조합이 가능하다는 점! 꼭 기억하시기 바랍니다.
이제 직접 CONTROL LOOP DIAGRAM을 작성해 보겠습니다.
내용이 길어지니 다음 포스팅에서 이어 나가겠습니다.
아래 포스팅을 참조해 주십시오.
계장 설계 8 - LOGIC & LOOP 설계 #4 (CONTROL LOOP DIAGRAM)
안녕하세요. 오늘은 대망의 LOGIC & LOOP 마지막시간으로 CONTROL LOOP DIAGRAM을 직접 작성해 보는 시간을 가져보겠습니다. 이전에 작성한 CONTROL LOGIC DIAGRAM 작성법과 CONTROL LOOP DIAGRAM의 기본적..
mech19.tistory.com
'계장 > 계장 설계' 카테고리의 다른 글
| 계장 설계 9 - Instrument Plot Plan ( Instrument Location DWG ) (0) | 2022.02.24 |
|---|---|
| 계장 설계 8 - LOGIC & LOOP 설계 #4 (CONTROL LOOP DIAGRAM) (1) | 2022.01.05 |
| 계장 설계 6 - LOGIC & LOOP 설계 #2 (CONTROL LOGIC DIAGRAM) (0) | 2021.12.28 |
| 계장 설계 5 - LOGIC & LOOP 설계 #1 (CONTROL LOGIC DIAGRAM) (0) | 2021.12.25 |
| 계장 설계 4 - IO LIST 설계 #2 (0) | 2021.12.21 |
댓글