안녕하세요.
오늘은 대망의 LOGIC & LOOP 마지막시간으로
CONTROL LOOP DIAGRAM을 직접 작성해 보는 시간을 가져보겠습니다.
이전에 작성한 CONTROL LOGIC DIAGRAM 작성법과 CONTROL LOOP DIAGRAM의 기본적인 내용들은
아래 포스팅을 참조 해주십시오.
계장 설계 5 - LOGIC & LOOP 설계 #1 (CONTROL LOGIC DIAGRAM)
오늘부터 LOGIC & LOOP 작성법에 대해서 이야기해 보겠습니다. 먼저 LOGIC(로직)과 LOOP(루프)가 무엇인지부터 알아봐야겠죠? 1. LOGIC 과 LOOP 란? 먼저 LOGIC의 풀네임은 CONTROL LOGIC DIAGRAM 정도로..
mech19.tistory.com
계장 설계 6 - LOGIC & LOOP 설계 #2 (CONTROL LOGIC DIAGRAM)
오늘은 이전 포스팅에 이어서 CONTROL LOGIC DIAGRAM 작성법을 계속 이야기 해 보겠습니다. 일단 처음 방문하신 분들은 CONTROL LOGIC DIAGRAM의 기본적인 내용들을 먼저 확인하시는 것을 추천드립니다.
mech19.tistory.com
계장 설계 7 - LOGIC & LOOP 설계 #3 (CONTROL LOOP DIAGRAM)
안녕하세요. 반갑습니다. 새로운 한해가 시작되었네요. 오늘은 CONTROL LOGIC DIAGRAM (이하 LOGIC)에 이어서 CONTROL LOOP DIAGRAM (이하 LOOP)에 대해서 이야기해 보려고 합니다. LOOP는 LOGIC에 비해서..
mech19.tistory.com
자 그럼 직접 작성을 시작해 보겠습니다.
예시로 사용 할 설비 모델은 이전 포스팅에서 사용했던 워터펌프 라인을 사용하겠습니다.
인버터등 몇가지 설비를 좀 더 추가해 보았습니다.

먼저 위 설비의 운전방안에 대해 설명하자면
PUMP를 이용하여 물을 수송하는데, PRESSURE TRANSMITTER로 PUMP 토출구 쪽 압력을 측정하여
정압제어를 통해 일정한 유량이 흐르도록 하는것이 목표입니다.
PUMP 가동 전 PUMP 입구쪽 VALVE와 토출구 쪽 VALVE를 OPEN해야 하며,
가동 후 PUMP를 정지한 뒤에 양측 VALVE는 CLOSE 합니다.
이 내용을 CONTROL LOGIC DIAGRAM과 연계하여 CONTROL LOOP DIAGRAM까지
작성해 보겠습니다.
1. CONTROL LOGIC DIAGRAM
먼저 로직부터 보시겠습니다.
하기 부분은 밸브와 펌프간의 제어를 하는 부분으로 ON/OFF 제어이기 때문에 LOGIC으로 작성이 가능합니다.
한장한장을 Sheet(시트)라고 부르며 Sheet간의 Signal 이동은 From / To 심볼을 이용하여
작성합니다.
바로 아래의 첫 sheet부터 시작하여 위에서 부터 아래쪽으로 Sheet No.1 ~ No.4입니다.




일단 한번 쭉 보셨나요?
이제 차근차근 설명을 해보겠습니다.
=================================
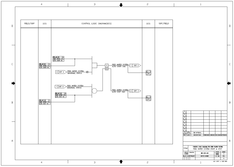
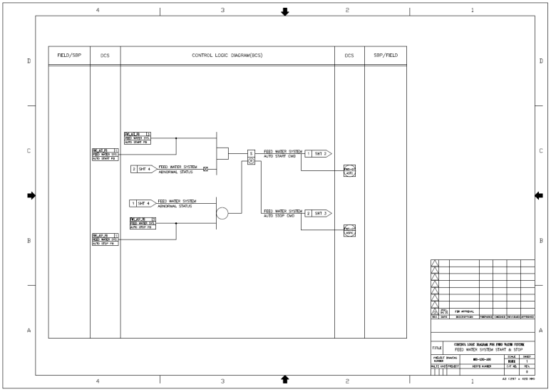
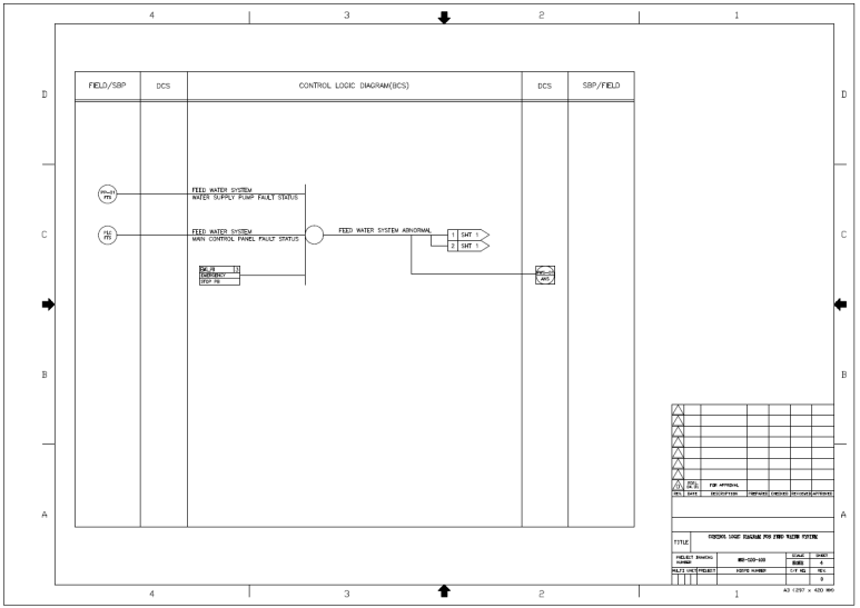
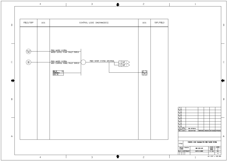
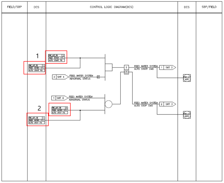
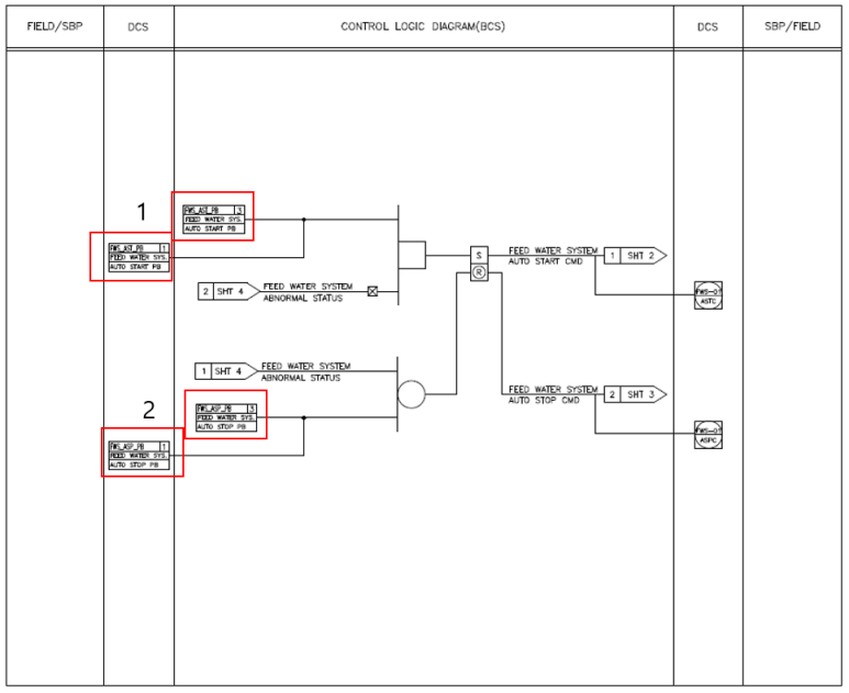
먼저 첫번째 시트입니다.

맨 위쪽에 검은색 박스로 표시된 1번, 2번, 3번 영역은 신호의 발생지와 목적지를 표현해주는데
1번은 Field, 2번은 DCS영역, 3번은 PLC(HMI)영역이라고 보시면 됩니다.
빨간색 네모 박스 부분은 버튼같은거라고 생각하시면 됩니다.
버튼은 버튼인데 영역이 DCS와 PLC 영역에 있으니 DCS화면에 만들어진 버튼과
PLC(HMI)의 버튼이라고 생각하시면 됩니다.
이러한 버튼을 눌러서 신호를 발생시키는 것입니다.
(물론 신호를 발생시키는 장치가 이러한 버튼만 있는것은 아닙니다.
밸브의 OPEN/CLOSE LIMIT 접점등 엄청 다양합니다.
이것에 대해서는 조금 있다가 다루겠습니다.)
다음으로 파란색 네모 박스 바분은 FROM / TO 심볼로
다른 sheet와 SIGNAL을 주고 받을때 연결포인트를 확인 할 수 있도록 표기하는
용도로 사용 합니다.
마지막으로 녹색 원으로 표시된 부분은 DCS로 보낸 SIGNAL을 DCS에서 표시한다는 의미로
작성된 심볼입니다.
다시 이제 LOGIC 내용에 대해서 설명해 보겠습니다.

1번 쪽의 빨간 네모박스는 DCS나 PLC(HMI)에서 누를 수 있는 설비의 Auto start button입니다.
이걸 누르면 바로 아래쪽에 Sheet 4번에서 온
Feed water system abnormal status 신호가 없는것을 확인하고
전체 시스템의 Auto start가 Set되어
Feed water system auto start cmd(command)가 나가게 됩니다.
이때 DCS에도 표시가 됩니다.
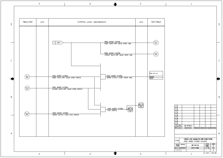
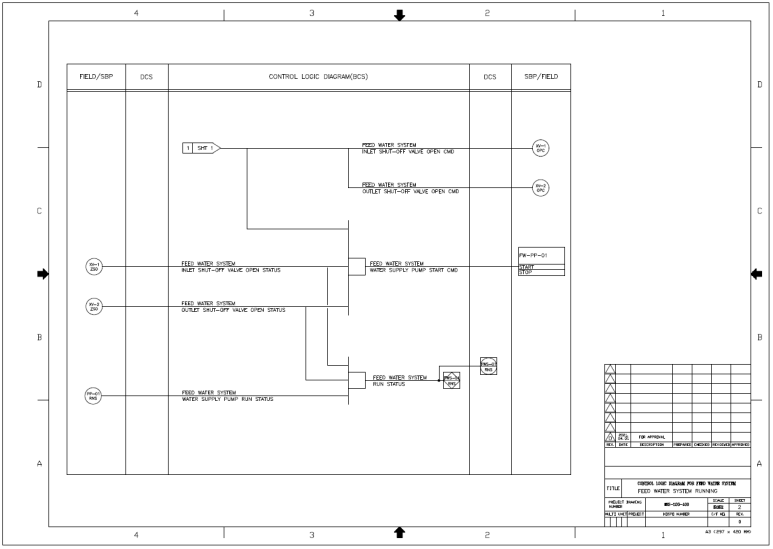
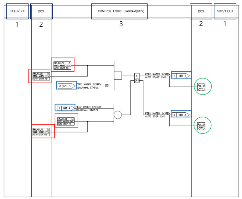
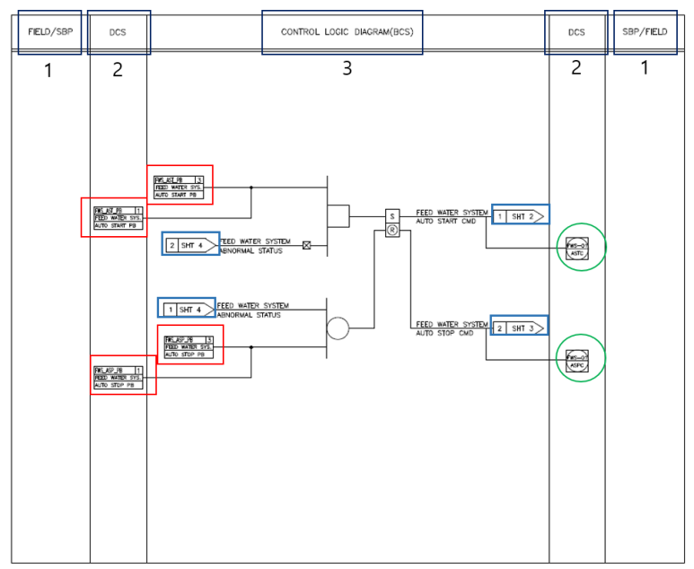
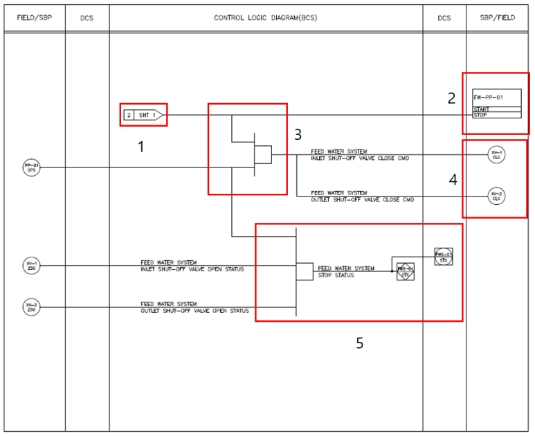
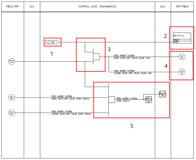
Auto start cmd를 sheet 2번으로 보냈으니 sheet 2번을 확인해 보겠습니다.

먼저 빨간색 네모박스 부분으로 sheet 1번에서 넘어온 signal이 시작됩니다.
(sheet1번과 sheet2번의 From//To를 이어서 한번 보십시오. 어떻게 작성해야 하는지 아시겠지요?)
Sheet 1번에서 시작된 Feed water system auto start cmd로
Inlet측 valve와 outlet측 valve에 open cmd를 내보냅니다. (녹색 원 부분 확인)
다음으로 Inlet 과 Outlet의 두 밸브가 모두 열린것을 확인하고 나면 (파란 원 부분 확인)
이제 Pump를 가동시키는데, 1번 주황색 네모박스 부분을 잘 확인해 주십시오.
이부분을 잘 보면 Feed water system auto start cmd와 VALVE OPNE STATUS가
AND 조건으로 맞물려 있는것을 확인 할 수 있습니다.
이것은 Valve가 열려있더라도 사용자가 Auto start를 해야지만
Pump가 자동으로 가동되도록 하기위해서 AND조건으로 맞물려 놓은 것입니다.
(실제 LOGIC을 작성할때는 이런부분들을 고심하여 잘 작성 하여야 합니다.
그래야 안전사고가 발생하지 않습니다.)
마지막으로 2번 주황색 네모박스 부분은 Valve가 모두 열리고 Pump가 가동되고 나면
Feed water system 전체의 상태를 "RUN" 상태로 보고
이것을 PLC(HMI)와 DCS에 표시를 하기 위한 로직입니다.
다음은 sheet 3번입니다.

1번 빨간색 네모박스 부분이 Sheet1번으로 부터 넘어온 Signal이며
이것은 Sheet2번에서 본것과는 반대되는 내용인 Auto stop 부분입니다.
Auto stop cmd가 넘어오면 바로 2번 빨간색 네모박스 부분의 Pump stop cmd를 내보냅니다.
그리고 Pump가 정지되고 나면 3번 빨간색 네모박스와 같이 Auto stop cmd와 AND연산한뒤
Inlet valve와 Outlet valve를 Close합니다. (4번 빨간색 네모박스 확인)
그리고 최종적으로 Pump가 정지되고 Valve가 모두 닫힌걸 확인되고 나면
Feed water system의 전체 상태를 "STOP"으로 보고
PLC(HMI)와 DCS에 표시해 줍니다. (5번 빨간색 네모박스 확인)
마지막으로 Sheet 4번입니다.

우선 1번 네모박스는 Pump의 Inverter panel로 부터 오는 Fault signal 입니다.
2번 네모박스는 Main control panel의 PLC의 Fault signal 입니다.
3번 네모박스는 위급상황시 사용하는 Emergency stop button 입니다.
Emergency stop button의 경우 보통 하드웨어를 별도로 구성하지만
이번 시스템에서는 HMI에 구성하는 걸로 간략하게 만들었습니다.
위에서 언급한 신호들이 하나라도 발생했을때는 정상적인 시스템 운전이 어렵기 때문에
정지를 해야 하기때문에
OR연산으로 묶어서 4번 네모박스와 같이 Sheet 1번으로 보내어
Start나 Stop 조건으로 활용하였습니다.
그리고 당연히 DCS에도 표기를 해주도록 합니다. (5번 네모박스 확인)
이로써 LOGIC은 모두 확인을 하였습니다.
전혀 어렵지 않다는 마인드로 찬찬히 몇번 해독하다보면
직접 작성하는 것도 금방 가능해 질 수 있습니다.
다음으로 LOOP 도면을 보겠습니다.
2. CONTROL LOOP DIAGRAM
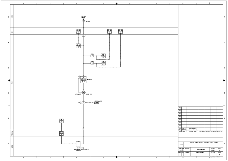
오늘 포스팅의 가장 주된 목적인 CONTROL LOOP DIAGRAM ( 이하 LOOP ) 입니다.

그럼 하나하나 자세히 뜯어보겠습니다.

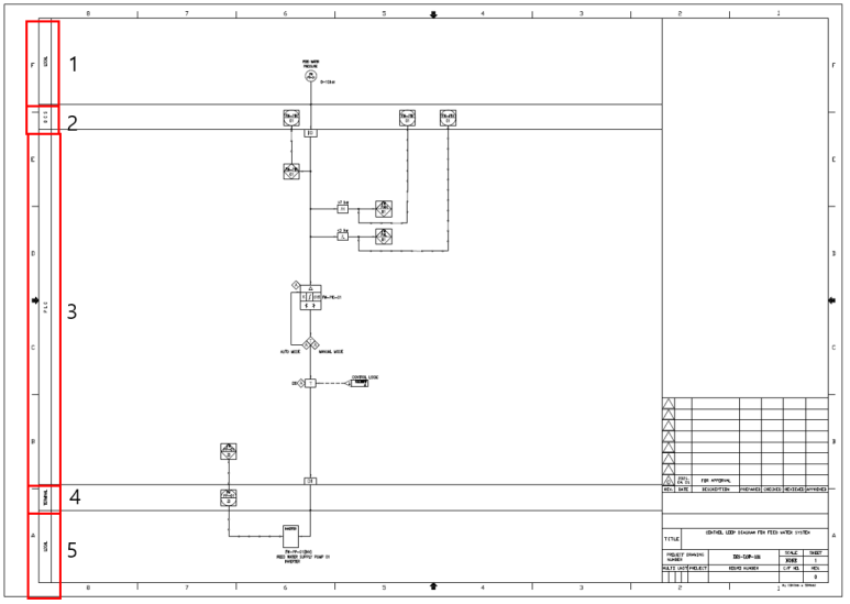
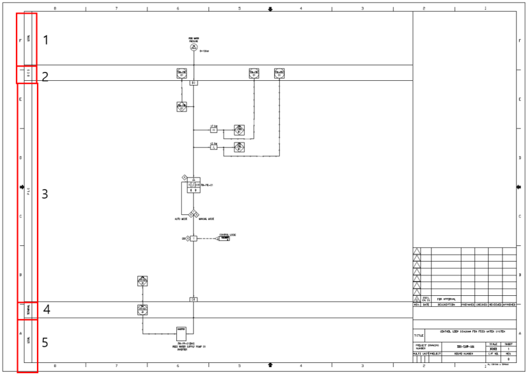
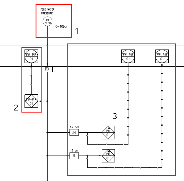
먼저 영역을 나누어 보자면 1번 네모 박스 영역은 Field 영역이고,
2번 네모박스 영역은 DCS 영역이며, 3번 네모박스 영역은 PLC(HMI)영역입니다.
4번 네모박스 영역은 Terminal 영역으로 표기되어 있는데, 5번 네모박스 영역의 Fiedl Equipment로 부터
Signal을 받을때 중간에 거치게 되는 곳들을 표기하면 됩니다.
이제 내용을 하나하나 해석해 보겠습니다.
먼저 위쪽 부분을 보겠습니다.

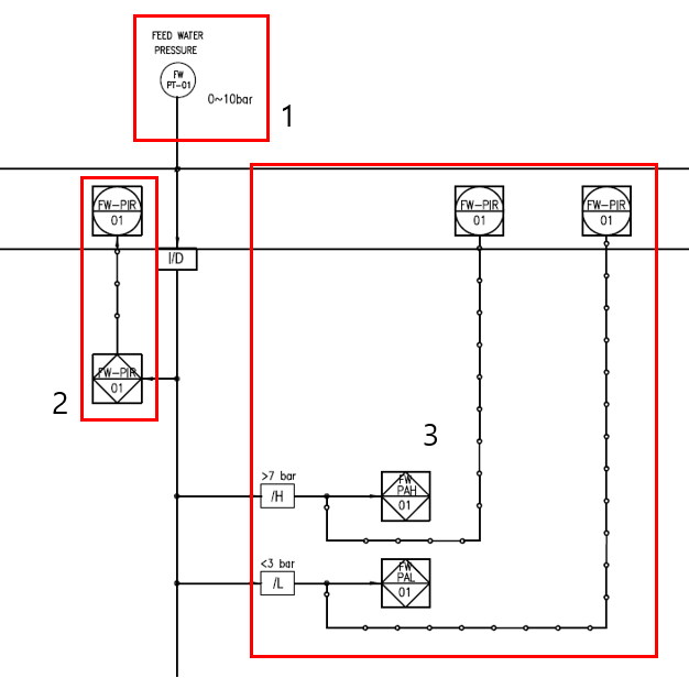
1번 네모박스 부분은 Field에 있는 Pressure transmitter을 표시한 것으로
Tag와 Description, Range를 표기해 주면 됩니다.
여기서 나온 Signal이 PLC영역으로 들어와서 2번 네모박스 부분과 같이
PLC(HMI)와 DCS 화면에 표시됩니다.
(참고로 PLC와 DCS사이는 통신으로 연결됩니다.)
그리고 3번 네모박스 영역을 보면 High alarm과 Low alarm point를 생성하여
PLC(HMI)와 DCS에 표시되도록 구성하였습니다.
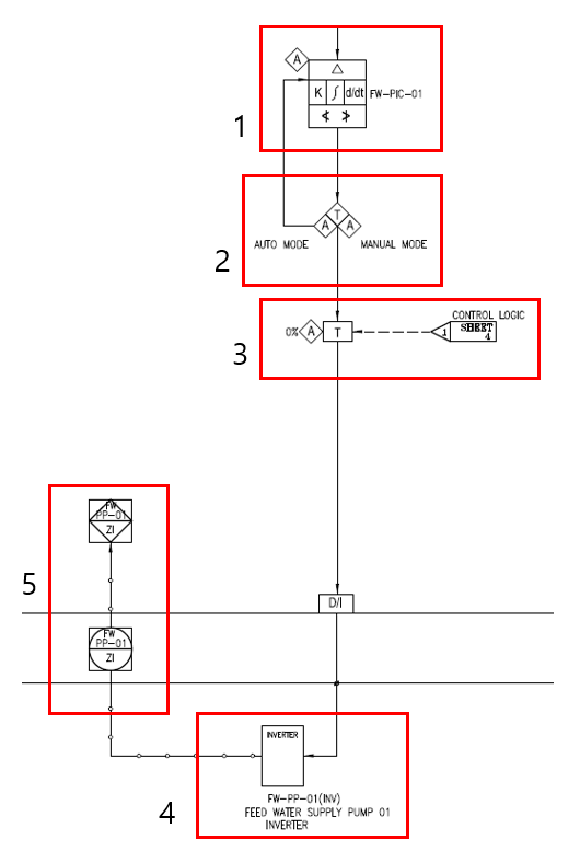
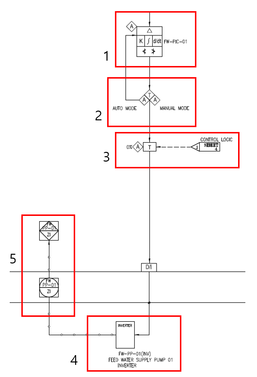
이제 아래쪽 부분을 보겠습니다.

1번 네모박스 부분은 위쪽부분으로 부터 받은 Signal을 P.I.D 제어기의 현재값(MV)으로
입력하여 PID제어를 하는 부분이고,
2번 네모박스 부분은 P.I.D제어기로 부터 전달받은 출력 Signal을
Auto mode일때는 출력하고, Manual mode일때는 출력하지 않는 Tracking (트래킹) 부분입니다.
1번과 2번의 상세한 내용은 따로 포스팅을 하겠습니다.
그리고 3번 네모박스 부분은 Logic에서 긴급하게 LOOP 제어의 출력신호를 무시하고
어떠한 강제적인 Signal을 출력해야 할때 사용하는 Tracking (트래킹) 부분입니다.
해석하자면 Control logic으로 부터 Stop cmd가 생성되면
위에서 부터 내려오던 LOOP에서 생성된 Signal을 무시하고
옆에 표기되어 있는 0%를 강제로 출력하게 됩니다.
물론 Stop cmd가 사라지면 정상적으로 LOOP에서 생성된 Signal을 출력합니다.
4번 네모박스 부분은 Field에 있는 Pump Inverter를 표시한 것이고,
5번 네모박스 부분은 Pump의 Inverter로 부터 받은 Feedback signal (예를 들어 RPM, Hz 등등)을
DCS와 PLC(HMI)에 표시해준다는 의미 입니다.
어느정도 이해가 되시려나요....
복잡해 보여도 찬찬히 몇번 생각하다보면 이해가 될거에요.
혹시 궁금한 내용이 있거나 이해가 되지 않는 부분이 있으면 댓글로 남겨주세요.
가능한한 답변해 드리도록 하겠습니다.
오늘은 포스팅이 오랜만에 조금 길었네요.
간단한 설비로 정말 간단하게 초안정도로 LOGIC LOOP를 작성해 보았는데요.
실제로 설비를 가동하기 위해서는 이것보다 좀 더 복잡하고 꼼꼼하게 설계를 해야합니다.
그래도 이번 포스팅의 목적은 LOGIC와 LOOP를 이해하고,
간단하게라도 작성해 볼 수 있는 능력을 배양하는데 그 목적이 있었으니
이건 달성하지 않았나 싶네요.
처음엔 어렵더라도 여러번 생각하고, 공부하고, 연습하다보면
모두 쪼렙을 탈출 하는 날이 올꺼라 믿습니다.
그럼 저는 다음 포스팅에서 뵙겠습니다.
감사합니다.
'계장 > 계장 설계' 카테고리의 다른 글
| 계장 설계 10 - PLC Panel dwg (PLC 판넬 도면) (0) | 2022.02.25 |
|---|---|
| 계장 설계 9 - Instrument Plot Plan ( Instrument Location DWG ) (0) | 2022.02.24 |
| 계장 설계 7 - LOGIC & LOOP 설계 #3 (CONTROL LOOP DIAGRAM) (0) | 2022.01.04 |
| 계장 설계 6 - LOGIC & LOOP 설계 #2 (CONTROL LOGIC DIAGRAM) (0) | 2021.12.28 |
| 계장 설계 5 - LOGIC & LOOP 설계 #1 (CONTROL LOGIC DIAGRAM) (0) | 2021.12.25 |
댓글