오늘은 "COUNTER" (카운터)에 대해서
알아보겠습니다.
Siemens(지멘스) Counter(카운터)는 프로그램 편집화면에서
왼쪽 "Program elements"를 보면 찾을 수 있습니다.

카운터의 종류에는 S_CUD, S_CU, S_CD가 있는데,
각각 업다운 카운터, 업 카운터, 다운 카운터 입니다.
하나씩 사용 방법을 알아보도록 하겠습니다.
특이점 : 출력포인트가 없다. (설정값에 도달했을때 ON되는 접점이 없음.)
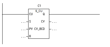
1. S_CU 업카운터
처음에 업 카운터 S_CU를 드래그&드롭 해보면
아래와 같이 빨간색 글씨로 ???(물음표)와
각 단자마다 ...이 붙어있습니다.

이 자리를 모두 채워주시면 됩니다.
(사실 모두라고 하지만 사용하지 않는것은
안채워도 됩니다.)
먼저 빨간색 ??? (물음표) 자리에는
카운터 번호를 입력해야 합니다.
다른 카운터와 중복되지 않도록 설정하면 됩니다.
일단 저는 C1로 입력해 보겠습니다.

그 다음 각 단자별로 어드레스를 지정해 주면 됩니다.
어드레스는 심볼어드레스나 절대어드레스 모두 가능합니다.
(Bit Memory 포함)
자 모두 간단하게 입력해 보았습니다.

이제 하나씩 알아보겠습니다.
CU : 상승엣지 검출
S : Set Value
PV : Preset Value
R : Reset
CV : word 출력 (16진수)
CV_BCD : BCD값 출력
(BCD는 2진화 10진수 인거 다들 알고 계시죠??)
동작설명을 드리자면 M0.0이 On되면 CU가 상승엣지를 검출하여
CV (Counter Value)와 CV_BCD가 1씩 증가 합니다.
단, CV는 16진수로 표현되고, CV_BCD는 BCD값으로 표현되기 때문에
0부터 시작하여 9까지는 똑같이 표현되지만
그뒤로는 CV는 a->b->c로 16진수로 증가되고
BCD는 10이 됩니다.
그리고 S(set)와 PV(Preset Value)는 함께 동작합니다.
PV에 BCD코드로 수를 입력하고 나면
S가 On될때 CV와 CV_BCD는 PV에 맞게 값이 변경됩니다.
주의할 점은 S_CU는 BCD를 사용하기 때문에
BCD코드를 써야 합니다.
(10진수 카운터 임을 명심!!!)
Q는 출력이지만 일정한 설정값이 되면 On되는것이 아니라
카운터가 리셋 상태였다가 처음으로 입력신호 CU가 On되면
출력 Q도 On 됩니다.
이제 이해 하시겠지요??
2. S_CD 다운카운터
자 다음으로 다운 카운터를 알아보겠습니다.

CD : 상승엣지 검출
S : Set Value
PV : Preset Value
R : Reset
CV : word 출력 (16진수)
CV_BCD : BCD값 출력
모양이 업 타운터와 똑같죠??
다만 CU가 CD로 바뀌었네요.
동작설명을 하자면 M1.0이 On되어 CD가 상승엣지를 검출하면
CV (Counter Value)와 CV_BCD가 1씩 감소 합니다.
다른건 전부 업 카운터와 동일합니다.
아 다만 CV나 CV_BCD값이 0 밑으로는 더이상 내려가지 않습니다.
왜냐하면 지멘스의 카운터는 BCD로 동작한다고 했었죠?
BCD에는 음수가 없으니까 그렇습니다.
여기까지 이해 하셨나요?
별거 아니죠?
3. S_CUD 업다운카운터
마지막으로 업다운 카운터를 알아보겠습니다.
"업다운 카운터"는 간단하게 "카운터 수"를 올릴 수도 있고,
내릴 수도 있는 카운터라고 보시면 됩니다.

그럼 실제로 하나씩 알아보도록 하겠습니다.
CU : 상승엣지 검출
CD : 상승엣지 검출
S : Set Value
PV : Preset Value
R : Reset
CV : word 출력 (16진수)
CV_BCD : BCD값 출력
뭐 따로 설명 안드려도 다 알고 계시겠죠?
M3.0을 On하면 CV나 CV_BCD 값이 1씩 증가하고
M3.1을 On하면 CV나 CV_BCD 값이 1씩 감소합니다.
M3.2를 On하여 S를 On 하면
MW123에 입력해두었던 값이 PV를 통하여
CV와 CV_BCD에 복사됩니다.
단 MW132은 BCD값으로 입력해 두어야 겠지요?
이로써 업 카운터, 다운 카운터 업다운, 카운터를 모두 알아보았네요.
그런데 신기한게 있습니다.
다른 브랜드의 PLC에서 카운터는
어떤 일정하게 설정한 수에 도달하면
출력이 On되는 프로세스 였는데
지멘스의 카운터는 입력이 On되자마자 출력이 On되네요??
그렇습니다.
그렇지만 설정한 수에 도달하면 출력이 On되도록 만들 수도 있습니다.
바로 Comparator를 조합하면 됩니다.

간단하니까 한번 후딱 알아볼까요??
4. 설정값 도달시 On되는 카운터

위와 같이 카운터의 CV(Counter Value)를
Comparator의 IN1에 연결시켜두고
원하는 설정값을 Comparator의 IN2에 입력해 두면
CV가 7에 도달하는 순간 Comparator의 출력 Q10.0이 On됩니다.
물론 Comparator의 종류는 여러가지가 있으니
원하는걸로 골라써도 됩니다.
설정값 이상일때 혹은 설정값 미만일때 등등
원하는걸 골라서 조합하여 사용하면 됩니다.

Comparator에 대한 설명은 아래 포스팅을 참조해 주십시오.
출처: https://mech19.tistory.com/118?category=807455 [초보 엔지니어의 다락방]
SIEMENS PLC Simatic Manager 프로그래밍 기초 - Comparator
오늘은 Program elements 두번째 시간으로 Comparator를 공부해 보겠습니다. =(같다), >(크다), <(작다) 등등 데이터의 크기를 비교하는 간단한거니까 차근차근 같이 봅시다. 이제 지멘스 프로그램을
mech19.tistory.com
오늘 내용은 여기까지 입니다.
제 블로그를 방문해 주셔서 감사합니다.
도움이 되셨다면 공감(좋아요) 부탁드리고,
댓글은 다른분들께도 좋은 정보일 수 있으니
공개로 부탁드립니다.
여러분의 작은 정성이 좋은 포스팅을 생산하는
힘이 된답니다. :)
감사합니다.
'PLC > Siemens (S7)' 카테고리의 다른 글
| SIEMENS PLC Simatic Manager 프로그래밍 기초 - Timer (0) | 2022.02.11 |
|---|---|
| SIEMENS PLC Simatic Manager 프로그래밍 기초 - Counter (카운터 개별 구성요소) (0) | 2022.02.10 |
| SIEMENS PLC Simatic Manager 프로그래밍 기초 - Comparator (0) | 2022.02.08 |
| SIEMENS PLC Simatic Manager 프로그래밍 기초 - Bit logic (1) | 2022.02.07 |
| SIEMENS STEP7 PLC Simatic Manager Programing 기초 응용 ( 지멘스 PLC 변수, 어드레스 체계 ) (1) | 2022.01.27 |
댓글